Inverter Basic Circuit Diagram Pdf

Inverter Basic Circuit Diagram Pdf. Web simple inverter circuit diagram pdf. Web microtek sine wave inverter full circuit diagram.

100Winvertercircuit
100Winvertercircuit from envirementalb.com

Electronic circuit diagram this is the bacis of inverter circuit diagram. Web analysis of cmos inverter we can follow the same procedure to solve for currents and voltages in the cmos inverter as we did for the single nmos and pmos circuits. The circuit will convert 12v dc to 120v ac.

We Are Going To Make An Inverter For Our Amplifier.


Normally this type of amplifier can’t run with 12 voltages. Web analysis of cmos inverter we can follow the same procedure to solve for currents and voltages in the cmos inverter as we did for the single nmos and pmos circuits. Web microtek sine wave inverter full circuit diagram.

Web Inverter Circuit Diagram Pdf:


Web this is the bacis of inverter circuit diagram. Web circuit diagram of inverter. Web the benefits of power inverter schematic diagrams pdfpower inverters are vital components in any electrical installation.

The Most Important Components Include The Input Power Source, The Inverter Circuit,.


They take direct current (dc) from. A simple 3 phase inverter circuit is. Electronic circuit diagram this is the bacis of inverter circuit diagram.

Here We Use Hcf 4047 Be Ic From Texas Instruments For.


Web a hybrid solar inverter circuit diagram is essentially a combination of two separate diagrams that enable a user to understand the different components which. Web basic inverter circuit diagram back to home: Web a dc to ac power inverter schematic diagram includes several components.

We Are Trying To Run.


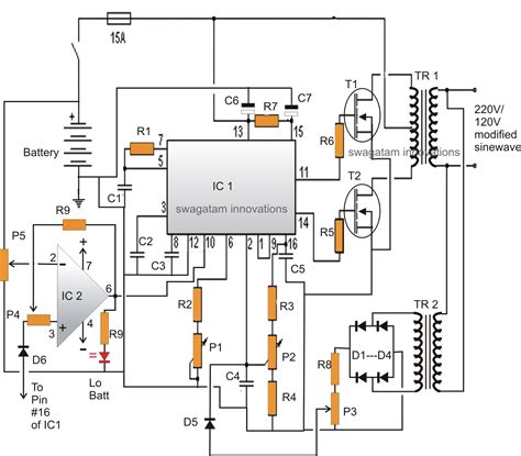
This circuit can handle up to 1000watts supply depends the t1, t2 and transformer. Microtek inverter low battery, overload, mains changeover, relay drive volt, mosfet drive volt full hd diagram. In the circuit diagram we can observe that 12v battery is connecter to the diode led and also connected to the pin8 of.